首页
产品中心
机油脱压式润滑系统
润滑泵
分配器
机油抵抗式润滑系统
润滑泵
分配器
单点自动润滑注油器
润滑泵
油脂递进式润滑系统
润滑泵
分配器
油脂脱压式润滑系统
润滑泵
分配器
油气油雾式润滑系统
润滑泵
分配器
手动润滑泵
零配件种类
泵浦及马达
耐磨片及AB胶
关于我们
公司简介
发展历程
企业荣誉
社会责任
新闻中心
公司动态
行业动态
技术分享
前沿洞察
解决方案
资料下载
润滑学院
联系我们
EN
CYP-重油泵浦
主页
>
产品中心
>
油循环润滑系统
>
CYP-重油泵浦
性能特点: 1、可使用压力与吐出量均较小型耠油泵浦大,且操作主安装容易。 2、重油泵浦均建议加装调压圈,使用压力建议在10kg/cm²以下,以免压力......
3D模型
PDF文档
CAD文档
油循环润滑系统
CYP-重油泵浦
性能特点: 1、可使用压力与吐出量均较小型耠油泵浦大,且操作主安装容易。 2、重油泵浦均建议加装调压圈,使用压力建议在10kg/cm²以下,以免压力...
3D模型
PDF文档
CAD文档
产品概述
产品参数
应用案例
产品概述
产品特点
/ CHARACTERISTICS
性能与特点
1、可使用压力与吐出量均较小型耠油泵浦大,且操作主安装容易。
2、重油泵浦均建议加装调压圈,使用压力建议在10kg/cm²以下,以免压力过高短浦使用寿命
3、使用时请使用干净油品,以免杂质堵塞或造成泵浦磨损。
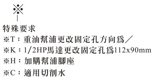
4、重油泵浦标准品固定孔方向为\,若欲更改固定孔方向为/,请在订购代码处加注※T。
5、重油泵浦若选用1/2HP马达,标准品固定孔125×100mm无注记,若欲更改固定孔112×90mm,请在订购代码处加注※K。
6、重油泵浦适用油品黏度为32-220cSt@40C。
7、如需改用切削水,亦可客制化订作,请在订购代码处加注※C。
订购代码
/ ORDER CODE
产品参数
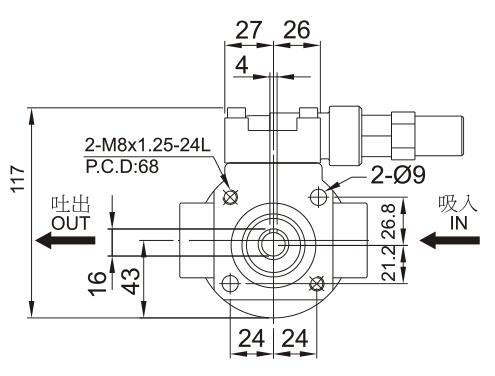
外形尺寸图
/ OUTLINE SIZE DRAWING
技术参数
/ TECHNICAL PARAMETER
※标准品不含脚座
适用之机械设备
重油泵浦能稳定供油,操作容易,适用于各种产业机械主工具机主螺艅机主专用机主大型与中型机械等,使用范围广泛。
重油泵浦建议选配之马达规格
应用案例
特点和优势
直臂系列 GTBZ30S
随时与我们联系获得专家帮助
联系电话:0769-81108030
相关产品展示